CN Build MARSA
MARSA Data Resources
With hybrid computing power as our stellar engine and the value of data as our North Star, we are building an applications for the intelligent era.
Overview of kySP for signal analysis
Kinyea Technologies defines a series of product enhancement functions as kySP (Signal Packet). These rich, powerful SP capabilities provide you with various types of value-added services.

Signal analysis kySP primarily use signal data acquired by MARSA hardware (such as real signal data and complex I/Q data) to perform quantitative calculations. It fully leverage hybrid computing resources and deeply integrate the advantages of software and hardware to complete the value transformation from raw data to standard applications.

kySP for signal analysis freeing you from the tangle of low-level data, these kySPs let you focus on data application and innovation, increasing the value of every decision.

Signal analysis and processing kySP Details

Compatible MARSA Products
WSA:KBA-308C、KVE4100A / KRA-800C / KCA-W800 / KVE82000C Series;
WST:KBT-308C、KRT-F / KCT-F / KRT92000C Series.
Typical Characteristics
▶ kyR-AMD Supported Types: AM/FM/PM

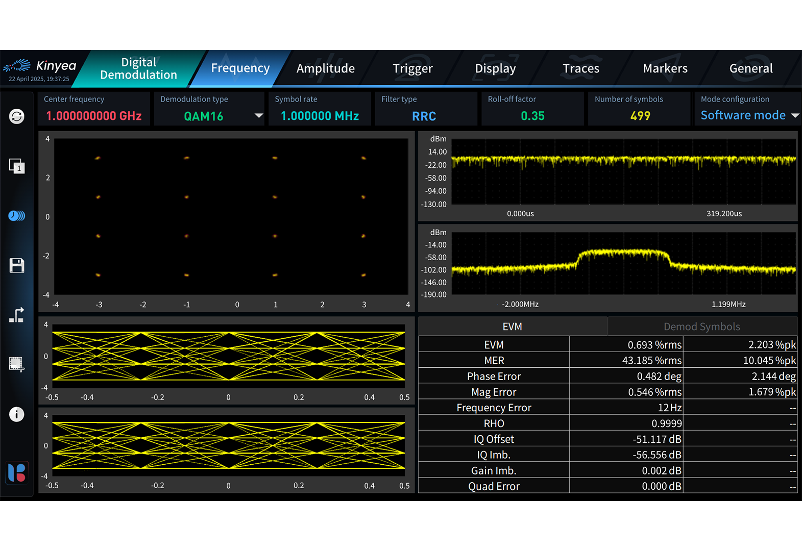
▶ kyR-GVSA Supported Types: 2ASK, BPSK, QPSK, 8PSK, OQPSK, APSK, 16APSK, 32APSK, DBPSK, π/2-DBPSK, DQPSK, π/4-DQPSK, D8PSK, π/8-D8PSK, 2FSK, 4FSK, 8FSK, 16FSK, 32FSK, 64FSK, MSK, GMSK, 8QAM, 16QAM, 32QAM, 64QAM, 128QAM, 256QAM, 512QAM, 1024QAM, 2048QAM, and 4096QAM.

▶ kyR-AMD-RT and kyR-GVSA-RT (consists of kyR-ASK-RT, kyR-PSK-RT, kyR-FSK-RT, kyR-QAM-RT, and kyR-OFDM-RT) are real-time signal analysis and processing kySP. All of these kySP require configuration with the KRP1517.